Full Automatic Quick-Change C Z Purlin Roll Forming Machine
Full automatic quick-change Z purlin roll forming machine Name:C Size Auto Change Machine Model:YX Series The C size auto change roll forming machine for C purlin profile is designed for the purpose of automatic size changing via both frames being freely adjustable. We can also supply the customized machines.
C Z Purlin Roll Forming Machine Features
C/Z purlin interchangeable rollformer can produce C, Z profiles. Produce the C and Z purlin by exchange one side of the roller up and down, only need about half hour. This machine also can adjust roller horizontal distance to achieve C or Z purlins of the width with high precision automatic. And also save time and increase production.
C Z Purlin Roll Forming Machine Applications
The finished products are widely used as the supporter of roof and wall in large-scale and mid-scale construction, such as factory, warehouse, garage, exhibition center, cinema, theatre, garden and so on.
C Z Purlin Roll Forming Machine Process Flow
Uncoiler — Feeding — Straightening — Pre-punching — Pre-cutting — Roll Forming — Exit Rack
Machine Configurations
| 1. Hydraulic Uncoiler |
2. Feeding Device
|
| 3. Straightening |
4. Roll Forming Machine
|
| 5. Post Punching | 6. Post Cutting |
| 7. PLC Control System | 8. Exit Rack |
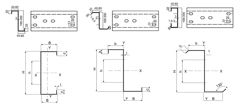
Profile Drawings For Reference

| C Purlin Section Size | |||||||
|
Model
|
Section Size (mm) | Hole Distance |
Remark
|
||||
| H | B | B | C | t | h | ||
| C100 | 100 | 40 | 40 | 15 | 2.0~3.0 | No Punching |
We Can Design the Machine According to Customer’s Requests (with Middle Hole Punching).
|
| C120 | 120 | 50 | 50 | 20 | 2.0-3.0 | 40 | |
| C140 | 140 | 50 | 50 | 20 | 2.0-3.0 |
Adjustable Hole Distance
|
|
| C160 | 160 | 60 | 60 | 20 | 2.0-3.0 | ||
| C180 | 180 | 60 | 60 | 20 | 2.0-3.0 | ||
| C200 | 200 | 60 | 60 | 20 | 2.0-3.0 | ||
| C220 | 220 | 70 | 70 | 20 | 2.0-3.0 | ||
| C250 | 250 | 70 | 70 | 20 | 2.0-3.0 | ||
| C300 | 300 | 80 | 80 | 20 | 2.0-3.0 | ||
| Z Purlin Section Size | |||||||
|
Model
|
Section Size (mm) | Hole Distance |
Remark
|
||||
| H | B | b | C | t | h | ||
| Z100 | 100 | 55 | 50 | 20 | 2.0-3.0 | 40 |
We Can Design the Machine According to Customer’s Requests (with Middle Hole Punching or Flange Punching).
|
| Z120 | 120 | 55 | 50 | 20 | 2.0-3.0 |
Adjustable Hole Distance
|
|
| Z140 | 140 | 55 | 50 | 20 | 2.0-3.0 | ||
| 2150 | 160 | 67 | 61 | 20 | 2.0-3.0 | ||
| Z160 | 180 | 67 | 61 | 20 | 2.0-3.0 | ||
| 2180 | 200 | 67 | 61 | 20 | 2.0-3.0 | ||
| 2200 | 220 | 67 | 61 | 20 | 2.0-3.0 | ||
| Z250 | 250 | 78 | 72 | 20 | 2.0.3.0 | ||
| Z280 | 280 | 78 | 72 | 20 | 2.0-3.0 | ||
| 2300 | 300 | 78 | 72 | 20 | 2.0-3.0 | ||
What Are The Application Areas Of The Roll Forming Machine?
The C Purlin Roll Forming Machine is used in various fields, including:
- 1.Construction Engineering: C purlins are widely used as structural components in residential, commercial, and industrial buildings. The roll forming machine can manufacture C purlins of different sizes and specifications to meet the requirements of different construction projects.
- 2.Steel Structure Manufacturing: The roll forming machine is also utilized in the production of steel structures such as steel houses, steel bridges, and steel frames. C purlins, as structural support materials, offer advantages such as lightweight, high strength, and easy installation, making them widely used in steel structure manufacturing.
- 3.Solar Panel Mounting Systems: Solar power systems require sturdy mounting structures to support solar panels. The C Purlin Roll Forming Machine can produce C purlins suitable for solar panel mounting systems, providing stable support structures.
- 4.Agricultural Construction: The machine is also applied in agricultural construction, such as manufacturing structural materials for agricultural greenhouses. C purlins possess corrosion resistance and stability, making them suitable for use in agricultural environments.
Top 5 C Z Purlin Roll Forming Machine Manufacturers In China
- 1.WUXI SUNWAY MACHINERY CO., LTD is a professional manufacturer and exporter that are concerned with the design, development and production of cold roll forming machines. All products comply with international quality standards and are greatly appreciated in a variety of different markets throughout the world, such as Asia, Africa, Europe, South America, and Australia and so on. It has gained a global sales network.
- 2.Zhongyuan Machinery Factory: Zhongyuan Machinery is a renowned manufacturer of roll forming machines, including C/Z purlin roll forming machines. They have a wide range of models and provide customized solutions to meet specific customer requirements.
- 3.Liming Stamping Form Machine Co., Ltd.: Liming Stamping Form Machine is a leading manufacturer of roll forming machines in China. They specialize in producing C/Z purlin roll forming machines with advanced technology and high-quality components.
- 4.Xiamen Bogong Machinery: Xiamen Bogong Machinery is a reputable manufacturer of roll forming machines, including C/Z purlin roll forming machines. They have a strong focus on product innovation and customer satisfaction.
- 5.Hangzhou Roll Forming Machinery: Hangzhou Roll Forming Machinery is a well-established manufacturer of roll forming machines, offering a comprehensive range of solutions for various industries. They provide reliable C/Z purlin roll forming machines with excellent performance.